
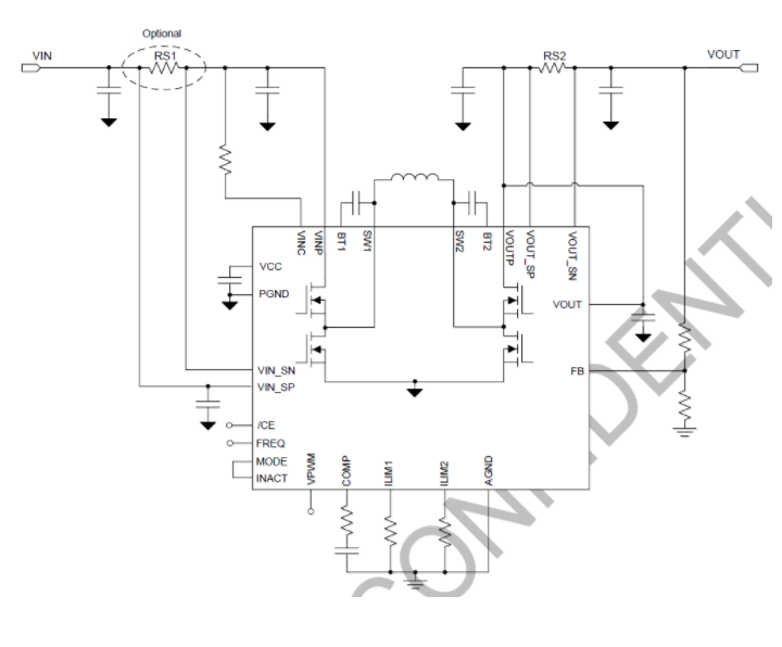
SC8903是一颗超高转换效率,集成了4颗功率管的Buck-Boost转化器,输出电压能够高于,
低于或等于输入电压,能够限度简化客户设计及减小PCB Space和BOM,
有效提升系统热性能。SC8903支持超宽的输入和输出电压,可达2.7V至22V,有效支持PD等应用
。SC8903采用电流控制模式,支持输入限流,输出限流,输出电压动态调整,
内部电感限流,输出短路保护及过温保护,确保芯片能够工作在各种异常情况。
SC8903采用40pin QFN 6x6封装。

功能
● 集成4颗功率管
● 超宽输入及输出电压范围:2.7V至22V
● 超高效率Buck-Boost转换
● 输出电压动态控制
● 可调的开关频率
● 可配置的输入及输出限流
● 输入及输出电流监测
● 小电流指示
● 欠压保护,过压保护,过流保护,短路保护,热关断
● QFN-40封装