banner

产品搜索

库存索引 : a b c d e f g h i j k l m n o p q r s t u v w x y z 1 2 3 4 5 6 7 8 9

您现在所在位置:首页 > 产品展示 > 富满微 TC3788 万能充电器控制芯片 DIP10封装

产品展示 / Products

富满微 TC3788 万能充电器控制芯片 DIP10封装

富满微 TC3788 万能充电器控制芯片 DIP10封装
型号: TC3788
厂 商:
品牌/商标: FM/富满微
产品类别: 集成电路/IC- AC/DC电源芯片
联系人: 颜先生/William
电话: 0755-82170220,21001680
 

产品详情

富满微TC3788——万能充电器控制芯片,DIP10封装


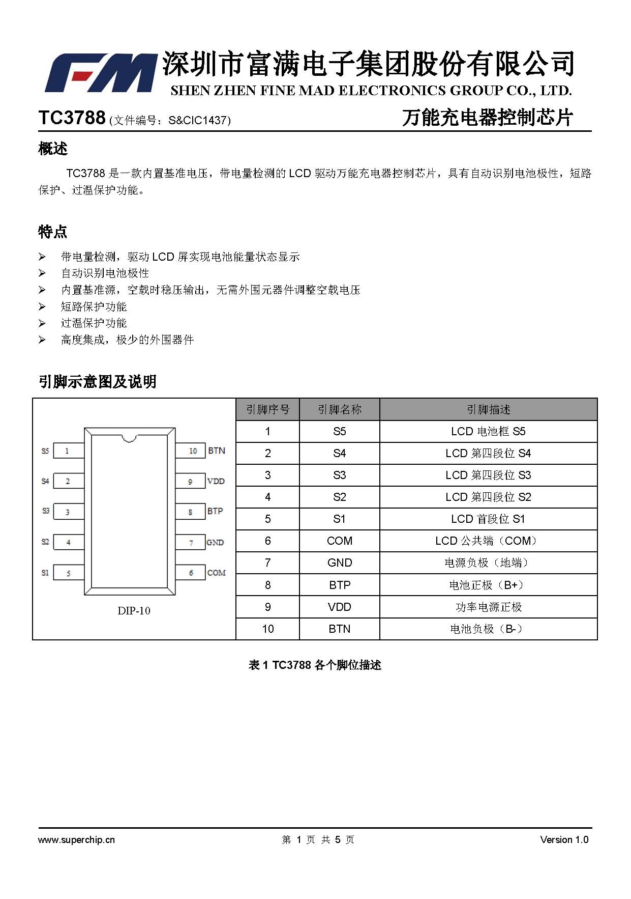
TC3788是一款内置基准电压,带电量检测的LCD驱动万能充电器控制芯片,具有自动识别电池极性,短路保护、过温保护功能。

特点

● 带电量检测,驱动LCD屏实现电池能量状态显示

● 自动识别电池极性

● 内置基准源,空载时稳压输出,无需外围元器件调整空载电压

● 短路保护功能

● 过温保护功能

● 高度集成,极少的外围器件