

| 型号: | SCT2220TVAR |
| 厂 商: | 中国 |
| 品牌/商标: | SCT(芯洲) |
| 产品类别: | 集成电路/IC- DC/DC电源芯片 |
| 联系人: | 颜先生/William |
| 电话: | 0755-82170220,21001680 |
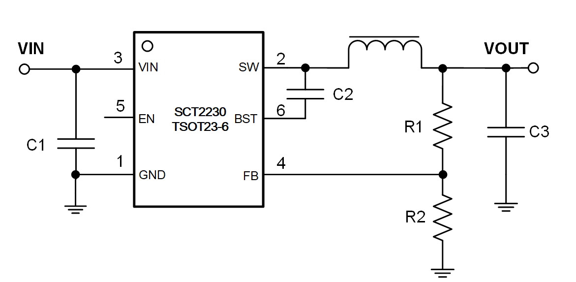
SCT2220TVAR 4.5V-17V输入,2A,800KHz频率,高效率同步降压转换器
产品描述
4.2V-17V 输入电压范围
连续输出电流:高达 2A
反馈参考电压: 0.8V ±2.5%
上管/下管 MOSFET Rdson: 90mΩ/60mΩ
轻负载下脉冲频率调制(PFM Mode)
待机静态电流: 150uA
ZUI小导通时间: 80ns
内置软启动时间: 2ms
调开关频率750KHz
输出过压保护
过热保护150oC
SOT563-6L, SOT23-6L 封装
应用
数字TV,机顶盒, XDSL 猫, 服务器, 通讯POL, 安防系统
