

| 型号: | SW6106 |
| 厂 商: | 中国 |
| 品牌/商标: | ISMARTWARE/智融 |
| 产品类别: | iSW/智融- |
| 联系人: | 颜先生/William |
| 电话: | 0755-82170220,21001680 |
SW6106 电子元器件 ISMARTWARE/智融 封装QFN-40
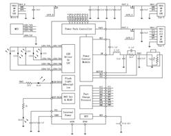
支持 PD 的多协议双向快充移动电源解决方案
SW6106 是一款高集成度的双向快充移动电源专用多合一芯片, 其集成了 4A 高效率开关充电, 18W 高效同步升压输出, PD/QC/AFC/FCP/PE/SFCP 等多种快充协议, 电量计量, 照明驱动以及相 应的控制管理逻辑。 外围只需少量的器件, 即可组成完整的高性能双向快充移动电源解决方案。
规格
开关充电
支持 4.2/4.35/4.4/4.5V 电池类型
电流高达 4A, 效率高达 96%
支持电池温度保护
支持温度环控制
照明驱动
内置照明 LED 驱动
BC1.2 模块
支持 BC1.2 DCP 模式
支持苹果/三星模式
同步升压
输出功率高达 18W, 效率高达 95%
支持线损补偿
自动负载检测
自动轻载检测
Lightning 口解密
支持 Lightning 口解密功能
电量计量
内置 12bit ADC
支持百分比电量
自适应各种类型电池
支持 3-5 个 LED
自动识别 LED 数量
输出快充协议
支持 PD3.0/PD2.0
支持 QC3.0/QC2.0
支持 AFC
支持 FCP
支持 PE2.0/PE1.1
支持 SFCP
快充指示灯
内置快充指示灯驱动
按键
支持机械按键
输入快充协议
支持 PD3.0/PD2.0
支持 AFC
支持 FCP
支持PE1.1
保护机制
输入过压保护
输出过流/短路保护
充电超时/过压保护
温度保护
Type-C 接口
内置 USB Type-C 接口逻辑
支持 Try.SRC 功能
I2C Interface
QFN-40(6x6mm) 封装
