

| 型号: | SW3538 |
| 厂 商: | 中国 |
| 品牌/商标: | ISMARTWARE/智融 |
| 产品类别: | iSW/智融- |
| 联系人: | 颜先生/William |
| 电话: | 0755-82170220,21001680 |
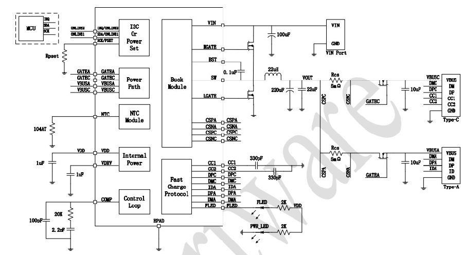
SW3538 电子元器件 ISMARTWARE/智融 封装QFN-28
支持 PD 的多快充协议双口充电解决方案
SW3538 是一款高集成度的多快充协议双口充电芯片,支持 A+C 口任意口快充输出,支持双口独立限流。其集成了 7A 高效率同步降压变换器,支持 PPS/ PD/ QC/ AFC/ FCP/ SCP/ PE/SFCP/TFCP/VOOC 等多种快充协议,zui大支持 140W 输出功率,集成 CC/CV 模式、双口管理逻辑以及双芯片动态功率分配。外围只需少量的器件,即可组成完整的高性能多快充协议双口充电解决方案。
规格
同步降压变换器
输出电流高达 7A
输入电压范围 5~36V
支持 CC/CV 模式
支持双口独立限流
支持线损补偿
支持温度控制
快充协议
支持 PPS/PD3.0/PD2.0
支持 QC5/QC4+/QC3+/QC3.0/QC2.0
支持 AFC
支持 FCP
支持高低压 SCP
支持 PE2.0/PE1.1
支持 SFCP
支持 TFCP
支持 VOOC
PD/SCP/VOOC 支持 MCU 全定制
功率分配
支持电阻设置输出功率
支持双芯片动态功率分配
Type-C 接口
内置 USB Type-C 接口逻辑
内置 USB Type-C 接口逻辑
BC1.2 模块
支持 BC1.2 DCP 模式
支持苹果/三星大电流充电模式
保护机制
软启动
输入过压/欠压保护
输出过压/欠压保护
输出过流/短路保护
DP/DM/CC 过压/弱短路保护
芯片过温/NTC 过温保护
I2C 接口
QFN-28(4x4mm) 封装
