

| 型号: | SDM02M50DASTR |
| 厂 商: | 中国 |
| 品牌/商标: | Silan/士兰微 |
| 产品类别: | 场效应管/MOSFETs- 20-100V/低压MOS管 |
| 联系人: | 颜先生/William |
| 电话: | 0755-82170220,21001680 |
SDM02M50DASTR 电子元器件 Silan/士兰微 封装SOP-23H
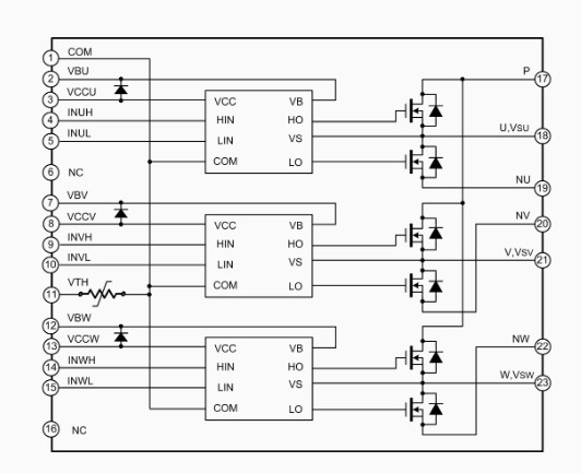
智能功率模块(IPM),500V/2A 三相全桥驱动
SDM02M50DAE/DAS是高度集成、高可靠性的三相无刷直流电机驱动电路,主要应用于风扇类的小功率电机驱动。其内置了6个快恢复功率MOS管和3个半桥高压栅极驱动电路。
SDM02M50DAE/DAS内部集成了欠压保护功能,提供了优异的保护和失效保护操作。由于每一相都有一个独立的负直流端,其电流可以分别单独检测。
SDM02M50DAE/DAS采用了高绝缘、易导热和低电磁干扰的设计,提供了非常紧凑的封装体,使用非常方便,尤其适合内置于电机的应用和要求紧凑安装的场合。
主要特点
内置6个500V/2A的快恢复功率MOS管
内置高压栅极驱动电路(HVIC)
内置欠压保护
内置自举二极管
内置负温度系数电阻用于温度检测
完全兼容3.3V和5V的MCU的接口,高电平有效
3个独立的负直流端用于变频器电流检测的应用
优化并采用了低电磁干扰设计
绝缘级别1500Vrms/min
