

| 型号: | SGM100PA12A4CTFD |
| 厂 商: | 中国 |
| 品牌/商标: | Silan/士兰微 |
| 产品类别: | 集成电路/IC- AC/DC电源芯片 |
| 联系人: | 颜先生/William |
| 电话: | 0755-82170220,21001680 |
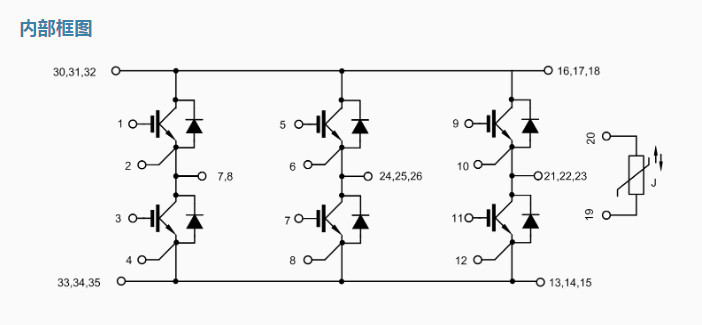
SGM100PA12A4CTFD 电子元器件 Silan/士兰微 100A/1200V IGBT模块
SGM100PA12A4CTFD模块性能优良,适用于不间断电源,交流变频驱动器、电焊机等。
主要特点
100A/1200V,VCE(sat)(典型值) =1.95V@IC=100A
VCE(sat) 带正温度系数
高抗短路能力
低开关损耗
采用绝缘DBC技术
负温度系数热敏电阻器
