

| 型号: | SGM100HF12A3TFD |
| 厂 商: | 中国 |
| 品牌/商标: | Silan/士兰微 |
| 产品类别: | 集成电路/IC- AC/DC电源芯片 |
| 联系人: | 颜先生/William |
| 电话: | 0755-82170220,21001680 |
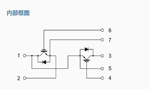
SGM100HF12A3TFD 电子元器件 Silan/士兰微 封装A3 100A/1200V IGBT模块
SGM100HF12A3TFD模块性能优良,适用于不间断电源,交流变频驱动器、电焊机等。
主要特点
100A,1200V,VCE(sat)(典型值) =2.1V@IC=100A
VCE(sat) 带正温度系数
高抗短路能力
低开关损耗
采用铜底板,绝缘DBC技术
