

| 型号: | IP6831 |
| 厂 商: | 中国 |
| 品牌/商标: | INJOINIC/英集芯 |
| 产品类别: | 英集芯/injoinic- 无线充电IC |
| 联系人: | 颜先生/William |
| 电话: | 0755-82170220,21001680 |
IP6831 电子元器件 INJOINIC/英集芯 封装QFN16 无线充SOC芯片
符合QI标准的2W无线充接收芯片
简介
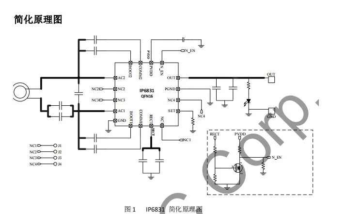
IP6831 是一款高集成度、高效率,符合 WPC Qi标准的无线充电接收芯片。芯片内部集成高效同步整流电路、功率输出电路,反向保护电路,极低的热损耗,好的应用体验。内部集成的动态整流电压控制,有效提升了芯片的瞬态响应及系统效率。
IP6831 采用 QFN16(3mm*3mm)极小封装,配合外围jing简的应用电路,极大的节省了 PCB 占板面积,可以方便的集成到空间紧凑的产品里。同时,该芯片进行了整体阻抗优化,大大降低了芯片本身的发热,提升了小空间产品应用的充电性能。另外,该芯片可以通过外围电阻改变输出电压,提高芯片的应用灵活性,同时设计上保证并不会带来芯片额外的热量。
IP6831 在设计上针对小线圈、不规则线圈应用做了优化,增强了对各类线圈的支持

特性
高集成度单芯片无线充电接收方案
符合 WPC Qi BPP 控制标准
内置高效同步整流电路
动态整流电压控制
增强瞬态性能
优化带载效率
极简外围电路, 应用简单, 低成本
专门针对小线圈和不规则线圈进行优化,增强线圈兼容性
支持 18V 过压保护
完善的过温、过压及过流保护
超低反向漏电流
QFN16 封装(3mm*3mm)
应用
TWS 耳机、鼠标
智能穿戴产品
助听器等健康医疗设备
各类低功耗手持设备
与 WPC Qi 标准兼容的无线充电接收设备
简化原理图
