

| 型号: | PN6370PNSC-T1 |
| 厂 商: | |
| 品牌/商标: | 芯朋微/Chipown |
| 产品类别: | 集成电路/IC- AC/DC电源芯片 |
| 联系人: | 颜先生/William |
| 电话: | 0755-82170220,21001680 |
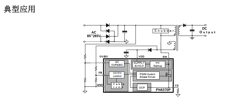
芯朋微-PN6370PNSC-T1 AC-DC开关电源芯片
超低待机功耗准谐振原边反馈交直流转换器
概述
PN6370P集成超低待机功耗准谐振原边控制器及690V高雪崩能力智能功率MOSFET,用于高性能、外围元器件jing简的充电器、适配器和内置电源。PN6370P为原边反馈工作模式,可省略光耦和TL431。内置高压启动电路,可实现芯片空载损耗(230VAC)小于50mW。在恒压模式,采用准谐振与多模式技术提高效率并消除音频噪声,使得系统满足6级能效标准,可调输出线补偿功能能使系统获得较好的负载调整率;在恒流模式,输出电流和功率可通过CS脚的电阻进行调节。该芯片提供了极为全面的智能保护功能,包含逐周期过流保护、过压保护、开环保护、过温保护、输出短路保护和CS开/短路保护,同时还集成AC电压过压保护和欠压保护功能,可通过系统分压电阻调节。

应用领域
开关电源适配器
电池充电器
机顶盒电源
产品特征
内置690V高雪崩能力智能功率MOSFET
内置高压启动电路,小于50mW空载损耗(230VAC)
采用准谐振与多模式技术提高效率,满足6级能效标准
全电压输入范围±5%的CC/CV jing度
原边反馈可省光耦和TL431
恒压、恒流、输出线补偿外部可调
无需额外补偿电容
无音频噪声
智能保护功能
过温保护 (OTP)
VDD欠压&过压保护 (UVLO&OVP)
逐周期过流保护 (OCP)
CS开/短路保护 (CS O/SP)
开环保护 (OLP)
AC电压过压&欠压保护(OV&BO)
