

| 型号: | BRCS9926SC |
| 厂 商: | |
| 品牌/商标: | BlueRocket/蓝箭电子 |
| 产品类别: | 场效应管/MOSFETs- 20-100V/低压MOS管 |
| 联系人: | 颜先生/William |
| 电话: | 0755-82170220,21001680 |
蓝箭代理商供应 BRCS9926SC N沟道MOS管
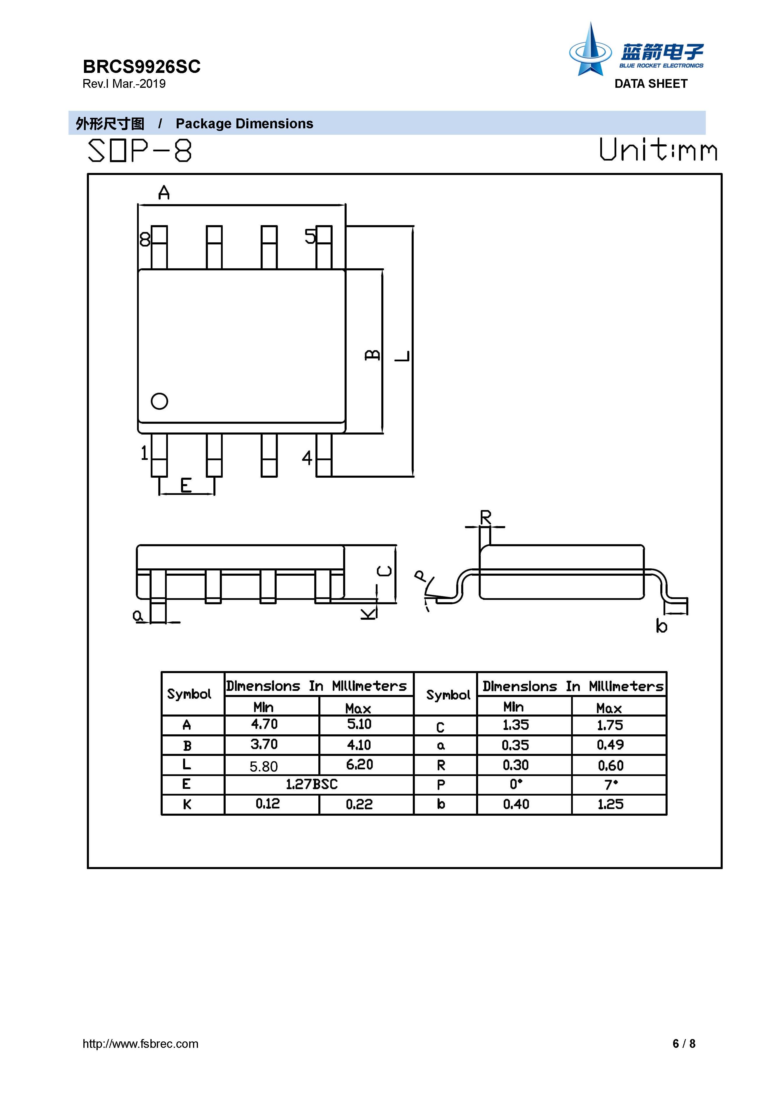
描述 / Descriptions
SOP-8塑封封装N沟道Power Trench MOS场效应管。
P-Channel Power Trench MOSFET in a SOP-8 Plastic Package.
特征 / Features
优化电池保护电路,允许工作电压范围宽:±10VGSS,低栅极电荷。内置双MOSFET。无卤产品。
Optimized for use in battery protection circuits, ±10 VGSS allows for wide operating voltage range, Low gate charge. Built-in dual MOSFET. Halogen-free Product.
用途 / Applications
电池保护,负载开关,电源管理。
Battery protection, Load Switch, Power management.
