产品展示 / Products
启臣微 CR3015H 同步整流控制芯片 PD充电器应用
-

-
|
型号:
|
CR3015H
|
|
厂 商:
|
|
|
品牌/商标:
|
Chip-Rail/启臣微
|
|
产品类别:
|
集成电路/IC-
AC/DC电源芯片
|
|
联系人:
|
颜先生/William
|
|
电话:
|
0755-82170220,21001680
|
|
|
|
产品详情
启臣微 CR3015H 同步整流控制芯片 PD充电器应用
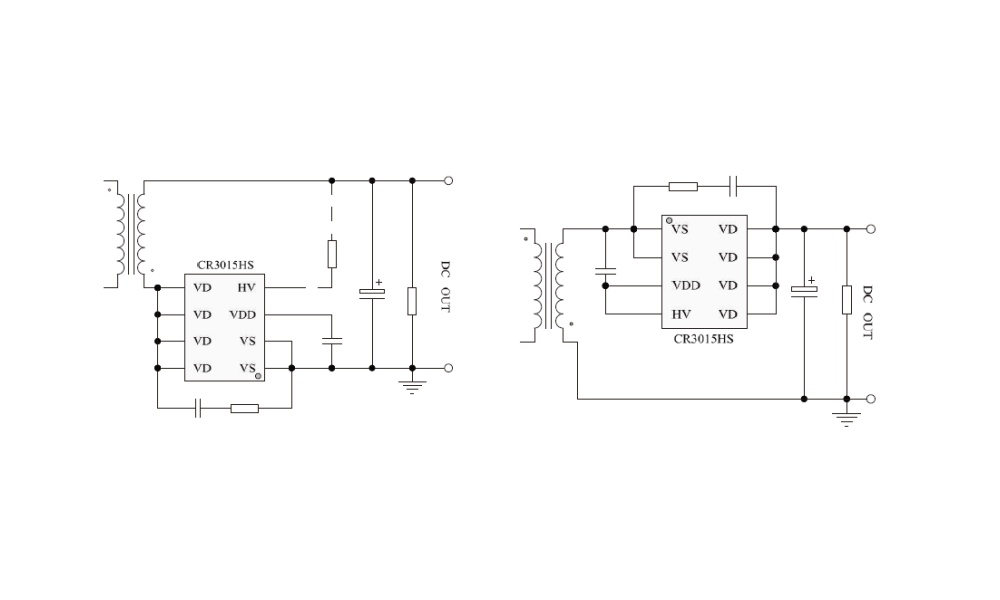
主要特点
● 支持副边反馈应用
● 可用于CCM模式、QR模式和DCM模式
● 工作频率200kHz
● 搭配初级端QR模式产品应用更有优势
● 精简的外围电路
● 自供电模式支持高低边应用,无需辅助绕组供电
基本应用
● PD充电器
