

| 型号: | CR5218 |
| 厂 商: | |
| 品牌/商标: | Chip-Rail/启臣微 |
| 产品类别: | 集成电路/IC- AC/DC电源芯片 |
| 联系人: | 颜先生/William |
| 电话: | 0755-82170220,21001680 |
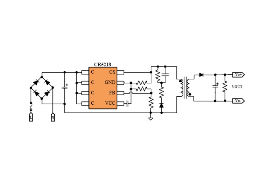
CR5218 Chip-Rail启臣微 PWM功率开关芯片
主要特点
● 内置快速启动,省启动电阻
● 内置全电压功率自适应补偿功能
● 内置自供电功能,省供电二极管
● 内置过温度保护功能
● 原边检测拓扑结构,无需光耦和431
● 内置FB开路和短路保护功能
● 全电压范围内高精度恒压和恒流输出
● 内置前沿消隐
● 可编程CC/CV模式控制
● 逐周期过流保护
● 采用多模式控制的效率均衡技术
● 高功率密度封装,四引脚散热
● 内置输出线电压补偿功能
● SOP-8L绿色封装
● 内置初级电感量偏差补偿功能
基本应用
● 小功率电源适配器
● 圣诞灯、 LED驱动器
● 蜂窝电话充电器
● 替代线性调整器和RCC
