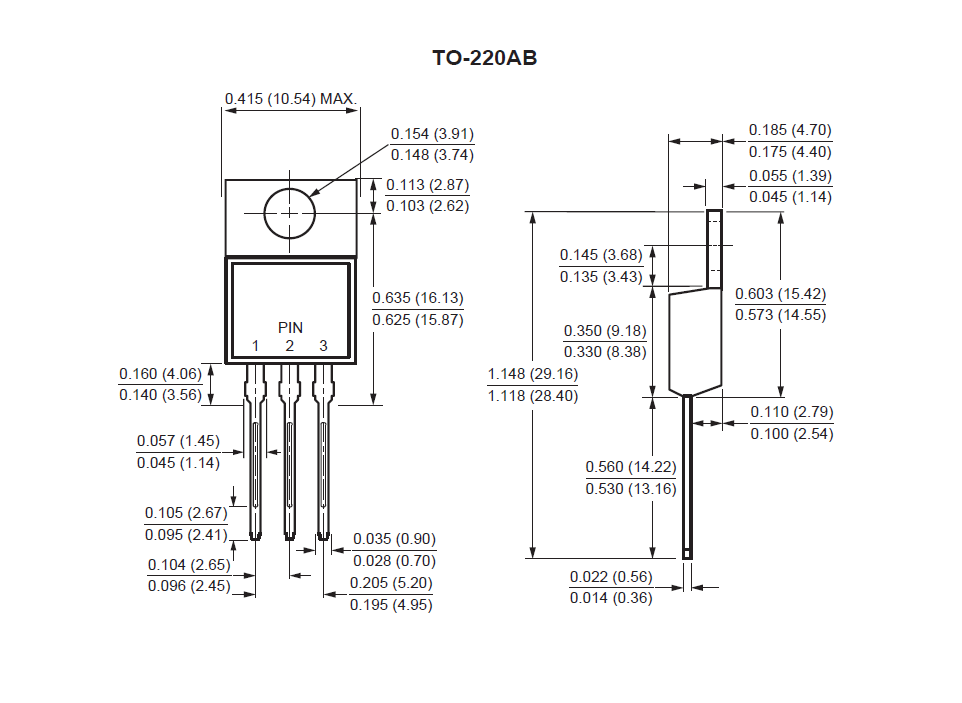
产品展示 / Products
沃尔德 TSR10A100CT 低VF肖特基整流器
-

-
|
型号:
|
TSR10A100CT
|
|
厂 商:
|
|
|
品牌/商标:
|
WORLD/沃尔德
|
|
产品类别:
|
沃尔德-
|
|
联系人:
|
颜先生/William
|
|
电话:
|
0755-82170220,21001680
|
|
|
|
产品详情
沃尔德 TSR10A100CT 低VF肖特基整流器
特征
● 先进的沟槽技术
● 正向电压降低
● 低功耗
● 高效运行
● 无铅表面处理,符合RoHS标准
应用
● DC/DC转换器
● AC/DC适配器
● 开关电源
● 续流二极管
