

| 型号: | XB8989A/GF |
| 厂 商: | |
| 品牌/商标: | Xysemi/赛芯微 |
| 产品类别: | 集成电路/IC- AC/DC电源芯片 |
| 联系人: | 颜先生/William |
| 电话: | 0755-82170220,21001680 |
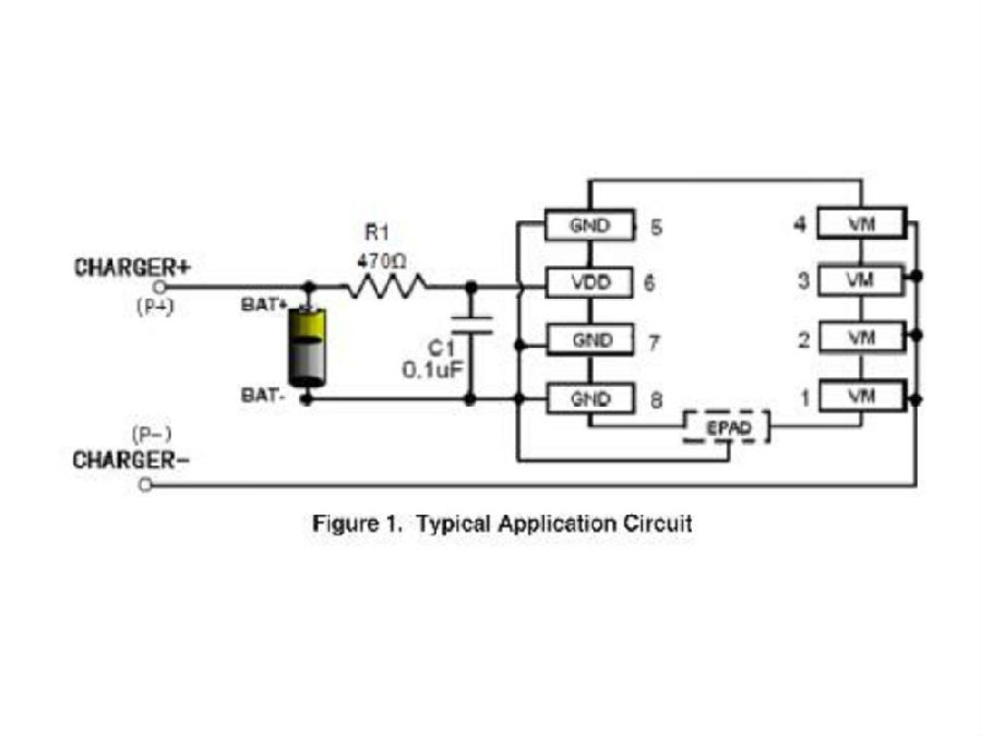
赛芯微XB8989系列 XB8989A/GF 锂电保护芯片
特点
● 充电器反向连接保护
● 电池单元反向连接的保护
● 集成高级功率MOSFET与等效7.3mΩRDS(ON)
● SOP8-PP封装
● 只需要一个外部电容器
● 超温保护
● 过充电电流保护
● 三步过电流检测
过放电电流1
过放电电流2
负载短路
● 充电器检测功能
● 0V电池充电功能
● 内部生成延迟时间
● 高精度电压检测
● 低电流消耗
操作模式:7μAtyp
断电模式:4uAtyp
● 符合RoHS,无铅
额定参数
VDD输入引脚电压-0.3至6V
VM输入引脚电压-6至10V
工作环境温度-40至85°C
最高结温125°C
储存温度-55至150°C
引线温度(焊接,10秒)300°C
T=25°C时的功耗0.625W
封装热阻(结对环境)θJA 250°C/W
封装热阻(结到外壳)θJC 130°C/W
静电放电2000V
应用
● 单节锂离子电池组
● 锂聚合物电池组
