
USCD034H 智威超小体积二极管 0.3A 40V 贴片二极管
FEATURES
Halogen-free type
Compliance to RoHS product
Lead less chip form, no lead damage
Low power loss, High efficiency
High current capability, low VF
Plastic package has Underwriters Laboratory Flammability Classification 94V-0
APPLICATION
Switching mode power supply applications
Portable equipment battery applications
High frequency rectification
DC / DC Converter
Telecommunication
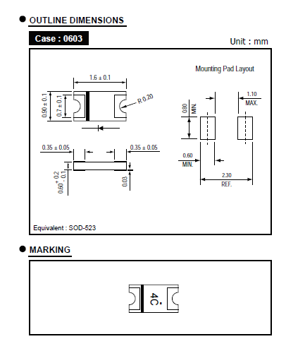
MECHANICAL DATA
Case : Packed with FRP substrate and epoxy underfilled
Terminals : Pure Tin plated (Lead-Free),
solderable per MIL-STD-750, Method 2026.
Polarity : Laser Cathode band marking
Weight : 0.003 gram
PACKING
3,000 pieces per 7" (178mm ± 2mm) reel
5 reels per box
6 boxes per carton
